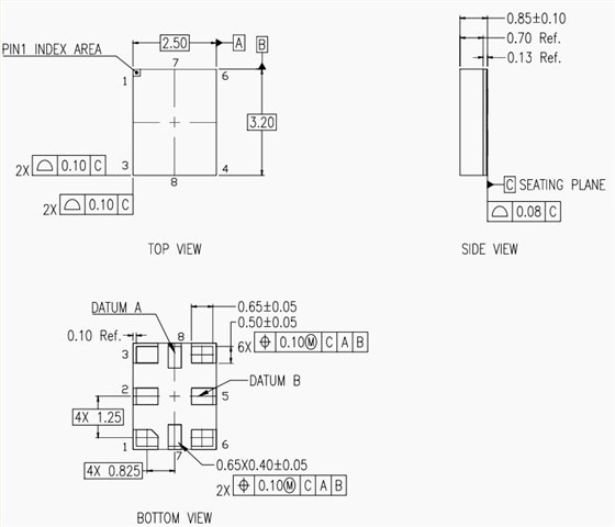
XTL312125.000000I晶振,Renesas电子,遥遥领先的无人机晶振,瑞萨晶振公司,进口晶振,有源晶振,贴片晶振,石英晶振,SMD晶振 ,OSC晶振,高品质晶振,高性能晶振,无人机晶振,航空航天晶振。XT器件是超低相位噪声石英基锁相环振荡器,支持大范围的频率和输出接口类型。XT设备可编程为产生15MHz至2100MHz的输出频率,分辨率低至1Hz精度。该系列设备的可配置性为样品和大型生产订单提供了快速交付时间。部件可能是工厂编程的固定频率应用,或者可能是现场配置使用I2C接口。6G室外基站晶振,无人机晶振,6G路由器晶振,6G通讯终端晶振。
XTL312125.000000I晶振,Renesas电子,遥遥领先的无人机晶振
| Symbol | Parameter | Test Condition | Minimum | Typical | Maximum | Units |
| F | 输出频率范围 | LVDS, LVPECL, CML. | 15 | — | 2100 | MHz |
| HCSL. | 15 | — | 725 | |||
| 频率容差 | Temperature = -40°C to +85°C. | — | — | ±3 | PPM | |
| 频率稳定度 | TA= 25°C. | — | — | ±2 | ||
| 老化(第一年) | TA= 25°C. | — | — | ±1 | ||
| 老化(十年) | TA= 25°C. | — | — | ±7 | ||
| 输出负载 | LVDS. | — | 100 | — | Ω | |
| LVPECL. | — | 50 | — | |||
| HCSL. | — | 50 | — | |||
| TST | 启动时间 | Output valid time after VDDmeets minimum specified level. | — | 5 | — | ms |
| tR | 输出上升时间 | LVDS. | — | 299 | 400 | ps |
| LVPECL. | — | 287 | 400 | |||
| HCSL. | — | 306 | 400 | |||
| CML | — | 301 | 400 | |||
| tF | 输出下降时间 | LVDS. | — | 279 | 400 | ps |
| LVPECL. | — | 274 | 400 | |||
| HCSL. | — | 284 | 400 | |||
| CML | — | 279 | 400 | |||
| ODC | 输出时钟工作周期 | LVDS. | 45 | — | 55 | % |
| LVPECL. | 45 | — | 55 | |||
| HCSL. | 45 | — | 55 | |||
| CML | 45 | — | 55 | |||
| TOE | 输出启用/禁用时间 | — | — | 1 | — | ms |
XTL312125.000000I晶振,Renesas电子,遥遥领先的无人机晶振
| 原厂编码 | 生产商品牌 | 型号 | 频率 | 输出 | 电源电压 | 频率容差 | 工作温度 |
| XTP332156.250000I | Renesas晶振 | XT | 156.25 MHz | LVPECL | 3.3V | ±3ppm | -40°C ~ 85°C |
| XTL312625.000000I | Renesas晶振 | XT | 625 MHz | LVDS | 1.8V | ±3ppm | -40°C ~ 85°C |
| XTN312100.000000I | Renesas晶振 | XT | 100 MHz | HCSL | 1.8V | ±3ppm | -40°C ~ 85°C |
| XTL322080.000000I | Renesas晶振 | XT | 80 MHz | LVDS | 2.5V | ±3ppm | -40°C ~ 85°C |
| XTP322100.000000I | Renesas晶振 | XT | 100 MHz | LVPECL | 2.5V | ±3ppm | -40°C ~ 85°C |
| XTP332100.000000I | Renesas晶振 | XT | 100 MHz | LVPECL | 3.3V | ±3ppm | -40°C ~ 85°C |
| XTL312100.000000I | Renesas晶振 | XT | 100 MHz | LVDS | 1.8V | ±3ppm | -40°C ~ 85°C |
| XTP332K48.479000I | Renesas晶振 | XT | 2.048479 GHz | LVPECL | 3.3V | ±3ppm | -40°C ~ 85°C |
| XTP332087.000000I | Renesas晶振 | XT | 87 MHz | LVPECL | 3.3V | ±3ppm | -40°C ~ 85°C |
| XTC312272.800000I | Renesas晶振 | XT | 272.8 MHz | CML | 1.8V | ±3ppm | -40°C ~ 85°C |
| XTC332272.800000I | Renesas晶振 | XT | 272.8 MHz | CML | 3.3V | ±3ppm | -40°C ~ 85°C |
| XTN322100.000000I | Renesas晶振 | XT | 100 MHz | HCSL | 2.5V | ±3ppm | -40°C ~ 85°C |
| XTP332025.000000I | Renesas晶振 | XT | 25 MHz | LVPECL | 3.3V | ±3ppm | -40°C ~ 85°C |
| XTL322100.000000I | Renesas晶振 | XT | 100 MHz | LVDS | 2.5V | ±3ppm | -40°C ~ 85°C |
| XTL332125.000000I | Renesas晶振 | XT | 125 MHz | LVDS | 3.3V | ±3ppm | -40°C ~ 85°C |
| XTN312032.000000I | Renesas晶振 | XT | 32 MHz | HCSL | 1.8V | ±3ppm | -40°C ~ 85°C |
| XTP322025.000000I | Renesas晶振 | XT | 25 MHz | LVPECL | 2.5V | ±3ppm | -40°C ~ 85°C |
| XTL312156.250000I | Renesas晶振 | XT | 156.25 MHz | LVDS | 1.8V | ±3ppm | -40°C ~ 85°C |
| XTP332204.800000I | Renesas晶振 | XT | 204.8 MHz | LVPECL | 3.3V | ±3ppm | -40°C ~ 85°C |
| XTL322200.000000I | Renesas晶振 | XT | 200 MHz | LVDS | 2.5V | ±3ppm | -40°C ~ 85°C |
| XTL312125.000000I | Renesas晶振 | XT | 125 MHz | LVDS | 1.8V | ±3ppm | -40°C ~ 85°C |
| XTP332039.145000I | Renesas晶振 | XT | 39.145 MHz | LVPECL | 3.3V | ±3ppm | -40°C ~ 85°C |
| XTP332045.000000I | Renesas晶振 | XT | 45 MHz | LVPECL | 3.3V | ±3ppm | -40°C ~ 85°C |
| XTL332148.351648I | Renesas晶振 | XT | 148.351648 MHz | LVDS | 3.3V | ±3ppm | -40°C ~ 85°C |
| XTL312L00.000000I | Renesas晶振 | XT | 2.1 GHz | LVDS | 1.8V | ±3ppm | -40°C ~ 85°C |
| XTL312A00.000000I | Renesas晶振 | XT | 1 GHz | LVDS | 1.8V | ±3ppm | -40°C ~ 85°C |
| XTC332100.000000I | Renesas晶振 | XT | 100 MHz | CML | 3.3V | ±3ppm | -40°C ~ 85°C |
| XTL312016.000000I | Renesas晶振 | XT | 16 MHz | LVDS | 1.8V | ±3ppm | -40°C ~ 85°C |
| XTP332L00.000000I | Renesas晶振 | XT | 2.1 GHz | LVPECL | 3.3V | ±3ppm | -40°C ~ 85°C |
| XTP332040.000000I | Renesas晶振 | XT | 40 MHz | LVPECL | 3.3V | ±3ppm | -40°C ~ 85°C |
| XTP322K99.999999I | Renesas晶振 | XT | 2.099999999 GHz | LVPECL | 2.5V | ±3ppm | -40°C ~ 85°C |
| XTN332100.000000I | Renesas晶振 | XT | 100 MHz | HCSL | 3.3V | ±3ppm | -40°C ~ 85°C |
| XTL312779.215495I | Renesas晶振 | XT | 779.215495 MHz | LVDS | 1.8V | ±3ppm | -40°C ~ 85°C |
| XTL312779.215000I | Renesas晶振 | XT | 779.215 MHz | LVDS | 1.8V | ±3ppm | -40°C ~ 85°C |
| XTC312818.991000I | Renesas晶振 | XT | 818.991 MHz | CML | 1.8V | ±3ppm | -40°C ~ 85°C |
| XTC312779.215000I | Renesas晶振 | XT | 779.215 MHz | CML | 1.8V | ±3ppm | -40°C ~ 85°C |
| XTC312822.128000I | Renesas晶振 | XT | 822.128 MHz | CML | 1.8V | ±3ppm | -40°C ~ 85°C |
| XTC312G81.518000I | Renesas晶振 | XT | 1.681518 GHz | CML | 1.8V | ±3ppm | -40°C ~ 85°C |
| XTC312840.759000I | Renesas晶振 | XT | 840.759 MHz | CML | 1.8V | ±3ppm | -40°C ~ 85°C |
| XTC312G37.982000I | Renesas晶振 | XT | 1.637982 GHz | CML | 1.8V | ±3ppm | -40°C ~ 85°C |
| XTC312F88.430000I | Renesas晶振 | XT | 1.58843 GHz | CML | 1.8V | ±3ppm | -40°C ~ 85°C |
| XTC312G44.256000I | Renesas晶振 | XT | 1.644256 GHz | CML | 1.8V | ±3ppm | -40°C ~ 85°C |




CITIZEN晶振,贴片晶振,CM315晶振,CM315D32768DZYT晶振
NDK晶振,石英晶振,NX5032GA晶振,NX5032GB晶振,NX5032GA-24.000000MHZ-LN-CD-1晶振
京瓷晶振,温补晶振,KT2016晶振,KT2016A26000ACW18TLG晶振
KDS晶振,温补晶振,DSB211SDM晶振,1XXD26000JHC晶振
精工晶振,32.768K晶振,SC-32S晶振,Q-SC32S03220C5AAAF晶振
精工晶振,有源晶振,SH-32S晶振
京瓷晶振,温补晶振,KT3225K晶振
京瓷晶振,温补晶振,KT7050A晶振
SQ8130J6-32.000MHz,Sunny进口晶振,2520微型设备晶振
SJ18130J6-3.579545MHz,Sunny金属封装晶振,SX-A21晶振